EL-VIS patenterede temperatur føler "SensoFlex"
Føleren er meget anvendelig til montage i loft hvor den kan måle rumtemperaturen.
Den fleksible kontruktion bevirker at den altid hænger lige ned fra loft, og hvis men støder
imod den retter den sig automatisk ud.
Den kan også bruges som kanalføler.
Føleren kan leveres i flere udgaver. Nr. 2 er den mest solgte.
Nr. 2 er ca. 10 cm. lang, men kan leveres i andre længder hvis det ønskes.
Med 10 Kohm føler for "Trend" CTS til 75 kr.+ moms
Med 20 Kohm til Honeywell CTS til 85 kr. + moms.
Kan evt. leveres med andre følertyper, spørg venligst.
Tillæg for længere føler eller ledning.
---------------------------------------------------------------------------------------------------------------------------------------------------------------------------------

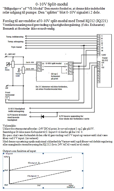
Eksempel på anvendelse af "Split modul"



-----------------------------------------------------------------------------------------------------------------------------------------------------------------------------------------
Split Modul
Deler et 0 - 10 V signal på indgang til 2 x 0 - 10 V
på udgang.
Pris 195 kr. + moms.
OPTO 2
2 stk. optisk "Relæer" på samme modul
Pris 195 kr. + moms
© Copyright. All Rights Reserved.